Your browser does not support JavaScript!
鋐創科技有限公司
無標題文件
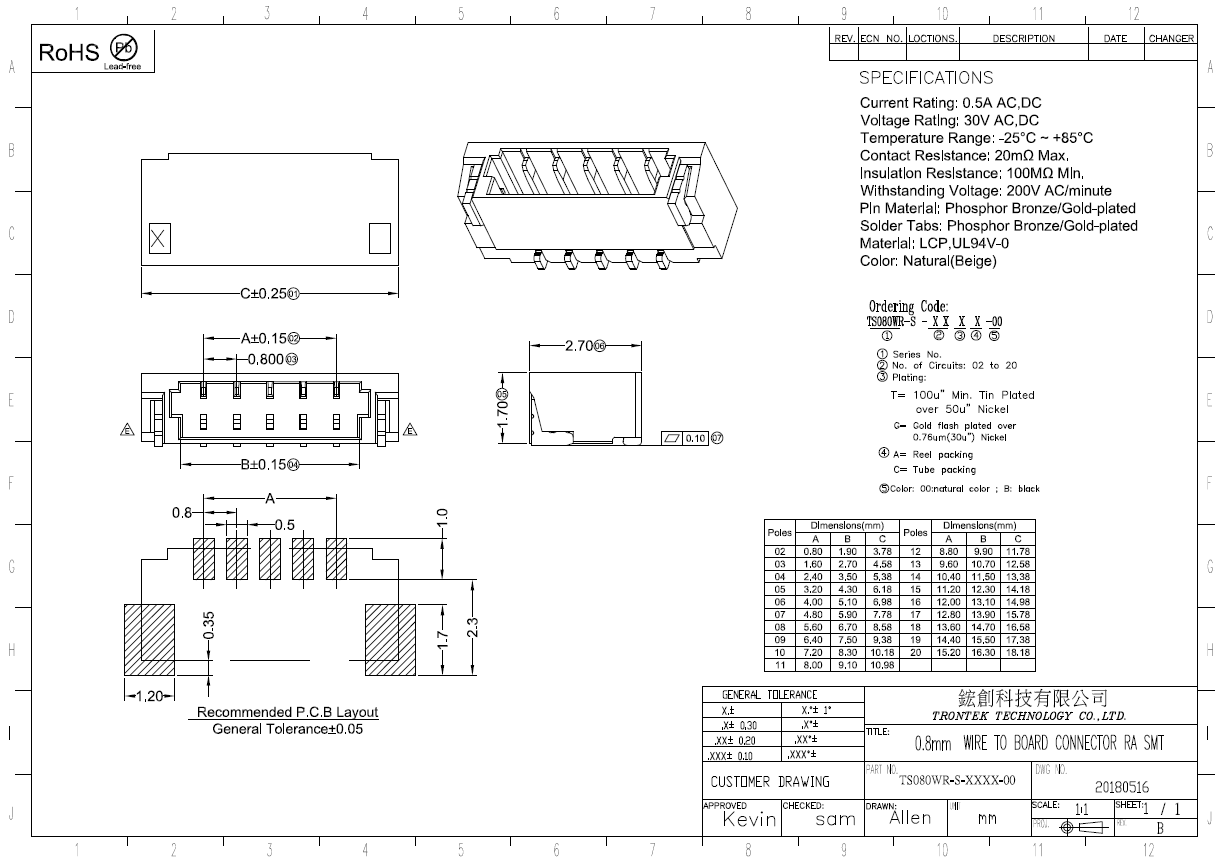
TS080WR-S-XXXX-00 SMT Horizontal Wafer
無標題文件

規格

Current Rating: 0.5A AC, DC p>

Voltage Rating: 30V DC

Temperature Range: -25 deg C ~ +85 deg C

Contact Resistance: 20m Omega Max.

Insulation Resistance: 100M Omega Min.

Withstanding Voltage: 200V AC/minute

Contact SID for details.

PIN:2~24PIN

實際產品規格與細節請洽本公司業務確認

產品規格