Your browser does not support JavaScript!
鋐創科技有限公司
無標題文件
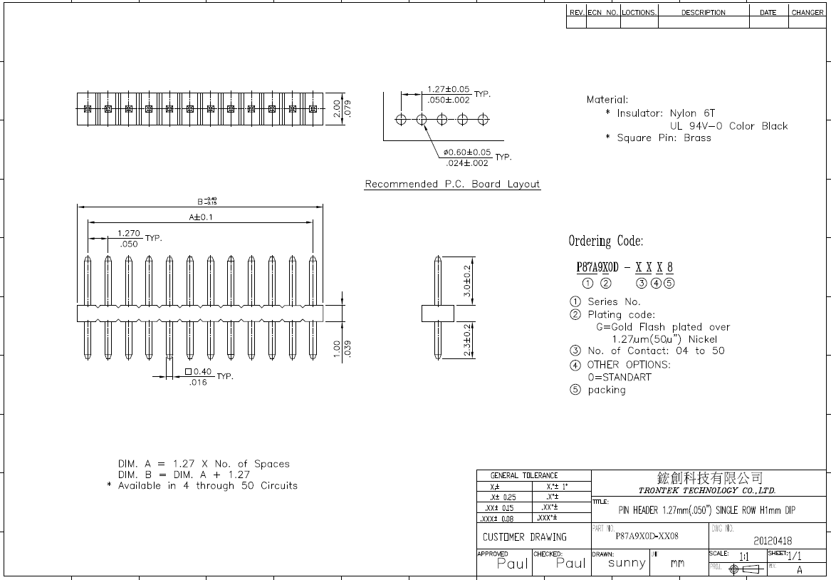
1.27mm Pitch PIN HEADER SMT / DIP Connector ( 排針連接器 Pitch 1.27mm )
無標題文件

規格

Current Rating: 1A AC, DC

Voltage Rating: 250V AC, DC

Temperature Range: -25 deg C ~ +85 deg C

Contact Resistance: 20m Omega Max.

Insulation Resistance: 5,000M Omega Min.

Withstanding Voltage: 500V AC/minute

1.27mm Pitch PIN HEADER SMT , DIP Connector

此系列有單排、雙排、DIP及SMT的型式可客製化

實際產品規格與細節請洽本公司業務確認

產品規格

瀏覽數  
將此文章推薦給親友