Your browser does not support JavaScript!
鋐創科技有限公司
無標題文件
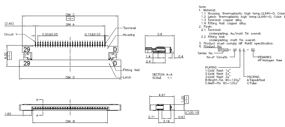
0.5mm Pitch H=1.2 FPC抽屜式下接 ZIF RA Lower Contact Type SMT CONN (TFP505 Series)
無標題文件

規格

Electrical Characteristics:

Current rating: 0.4A AC/DC

Voltage rating: 50V AC/DC

Temperature range: -25~+85℃

Withstand Voltage: 200V AC/Minute

Contact Resistance: 20m Max.

Insulation resistance: 500M Min.

Relative Humidity: 93%+40℃

PIN:4,5,8,9,10,12,20,24,30,33,35,36,40,50,56,60 PIN

產品規格

瀏覽數  
將此文章推薦給親友